Przejdź do głównej treści
Zamknij wyszukiwarkę Wyczyść Szukaj
Produkty w koszyku: 0. Zobacz szczegóły

Twój koszyk jest pusty

Producent: DAWPUR (przejdź do strony: http://www.dawpur.pl)

Wałek transportowy fi90/80x400/450 z gwintem zewnętrznym - poliuretan

Przejdź do sekcji Opinie

NUMER CARS4PARTS: 758

Przejdź do pełnego opisu
z VAT bez VAT
Cena 582,00 zł
w tym 23% VAT

Ceny podane bez kosztów dostawy.

Wybierz wariant produktu:

Poszczególne warianty mogą różnić się ceną

TWARDOŚĆ POWŁOKI POLIURETANOWEJ [Sh'A / Sh'D]

ILOŚĆ [SZT.]

GWINT ZEWNĘTRZNY / WEWNĘTRZNY

KOLOR

szt.
Dostępność:
średnia ilość
Czas wysyłki: 5 dni

Opis

Wałek transportowy fi90/80x400/450 z gwintem zewnętrznym - poliuretan

 

NUMER CARS4PARTS: 758

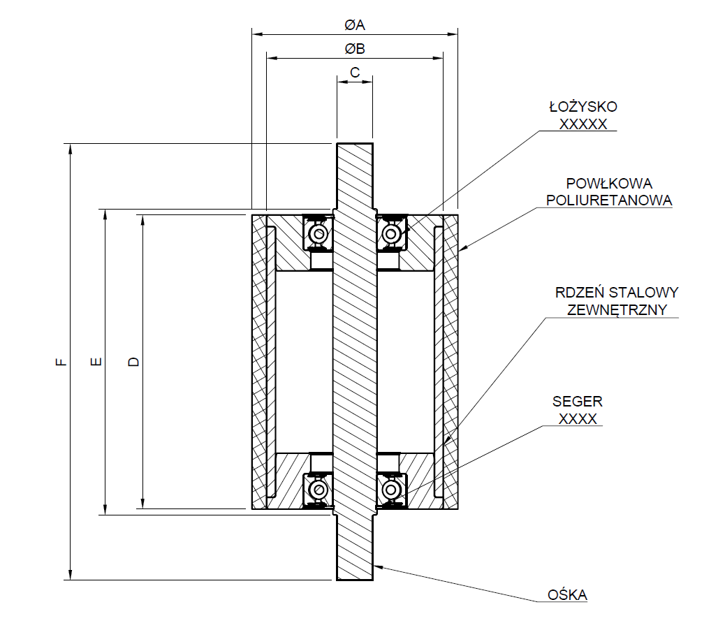
WYMIARY: 

  • średnica zewnętrzna powłoki poliuretanowej (A): 90 +/- 0,3 [mm]
  • średnica zewnętrzna rdzenia stalowego (B): 80 [mm]
  • długość robocza (D): 400 [mm]
  • długość całego wałka (E): 450 [mm]
  • wymiar gwintu (C): M6, M8, M10, M12, M14, M16 - do wyboru
  • łożysko: 6204 ZZ (20x47x14)
  • rdzeń: stalowy

MATERIAŁ: twardość poliuretanu do wyboru (30-95 Sh'A (co 5 stopni); 60,70 Sh'D)

KOLOR: do wyboru (bezbarwny/mleczny, brązowy, ceglasty, czarny, czerwony, fioletowy, niebieski, pomarańczowy, zielony)

ILOŚĆ: 1 szt. (kompletny zestaw: wałek pokryty poliuretanem + 2 x łożysko + 2 x seger)

UWAGI: -

 

UWAGA!

Nie możesz znaleźć danego produktu?

Masz nietypowe zapotrzebowanie?

Istnieje możliwość zamówienia łożyska z powłoką poliuretanową pod konkretne zamówienie. 

Napisz! Kontakt!

Opinie

Liczba ocen: 0
Oceń i opisz

Polecane produkty